直播屋体育直播-免费足球直播|NBA直播|体育赛事在线观赛_直播吧

芯启源科技

0755-23345158
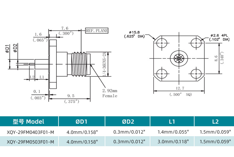
2.92mm连接器

XQY-29FM0503F01-M

【端口类型】2.92mm/母头

【连接器类别】金属穿墙

【驻波比】≤1.15:1

【频率范围】DC-40GHz

【材质工艺】不锈钢 钝化

【定制服务】特殊尺寸、材质可定制

详情内容请向下滑动查看↓↓↓


详情内容请向下滑动查看↓↓↓

产品手册下载

产品规格书点击下载
订购咨询 关注芯启源
快速下单

产品指标

5.jpg/


产品规格

6.jpg/


产品细节

  • 2.92mm连接器

    金属穿墙

  • 接口类型

    2.92mm母头-外螺内孔/金属穿墙

  • 材质工艺

    外壳采用了不锈钢材质,表面增加了钝化处理工艺,能提高抗氧化、耐磨性能

  • 产品特点

    体积小、低驻波、低插损、耐腐蚀、寿命长