直播屋体育直播-免费足球直播|NBA直播|体育赛事在线观赛_直播吧

芯启源科技

0755-23345158

射频功分器/合成器是什么?该怎么区分?

2022/09/06

首先我们来认识下,什么是功分器?

功分器全称功率分配器,英文名 Power divider,是一种将一路输入信号能量分成两路或多路输出相等或不相等能量的器件,也可反过来将多路信号能量合成一路输出,此时可也称为合路器。

一个功分器的输出端口之间应保证一定的隔离度。功分器按输出通常分为一分二(一个输入两个输出)、一分三(一个输入三个输出)等。

功分器从结构上分为两大类:

1.无源功分器,它的主要特点是:工作稳定,结构简单,无需供电;而它的主要缺点是接入损耗太大。

2.有源功分器:内部带放大电路,它的主要特点是:有增益,可弥补线路损耗,降低系统噪声系数。而它的主要缺点是需要外部供电才能正常工作;功率容量较小,只能传递小信号。

1


   

技术指标包括哪些?

功率分配器的技术指标主要包括以下几点:

1、频率范围:这是各种射频/微波电路的工作前提,频率范围越宽,适应场景越广,同样功分器设计难度越大,宽带功分器频率范围可覆盖十个甚至数十个倍频程。

2、承受功率:大功率分配器可以传递的功率限值。对于微带功分器来说,用作分配器的功率容量比用作合路器的功率容量大。

4.png

3、插入损耗(Insert Loss)(不包含理论分配损耗):由功分器内部传输线的导体、介质以及反射带来的损耗。

5.png

4、分配损耗:功率被分成多路之后,每一路相对输入功率有所减少,这就导致分配损耗。主路到支路的分配损耗实质上与功率分配器的功率分配器比有关。。如两路功率分配器的分配损耗是 3dB,那四路功率分配器的分配损耗是 6dB。

6.png

5、隔离度(Isolation):支路端口间的隔离度是功率分配器的另一个重要指标。如果从每个支路端口功率只能从主路端口输出,而不应该从其他支路输出,这就要求只路之间有足够的隔离度。

6、驻波比:每个端口的电压驻波比越小越好,驻波越小,能量反射越小。

2


   

那功分器的工作原理是什么样的呢?

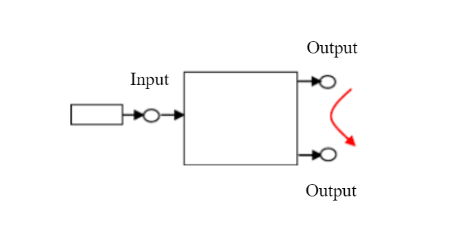
1、功分器是将输入的信号能量进行分路,并实现多路信号的隔离。

2、功分器的频率范围可以很大,比如:1-12GHz(100-12000MHz),2-18GHz(2000-18000MHz)等;

3、分路时可以是等分或不等分的;一般功分器都是等相位(0°)输出,也就是说功分器的输出相位关系基本是相等的,要求不等输出相位的功分器的一般均只能实现 10%左右的频率。

1.png

理论上,功分器的分路路数可以是无穷多路,很多多路的功分器均以 2 路为基础,所以一般分为 2/4/8/16 等 2^N 分路技术上实现较为容易,而 3/6/7/9/10/11 等技术上实现较难。

2.png

(1 端口输入端(公共端),2 和 3 端口分配端)

3.png

(一分 8 功分器设计上是由 7 个 1 分 2 功分器组成,这 7 个功分器分为 3 个层次)


好啦~以上就是射频功分器/合路器的简要知识,有任务问题可以随时在线提问,或直接拨打我们的座机电话

电话呼叫_phone-call.png0755-2334515 


公众文章片尾.jpg