直播屋体育直播-免费足球直播|NBA直播|体育赛事在线观赛_直播吧

芯启源科技

0755-23345158
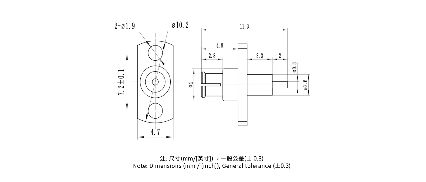
SMP连接器

XQY-SMP-KFD30TT

【端口类型】SMP型/母头

【连接器类别】介质穿墙

【驻波比】≤1.30:1

【频率范围】DC-18GHz

【材质工艺】黄铜 镀金 

【定制服务】特殊尺寸、材质可定制



详情内容请向下滑动查看↓↓↓

产品手册下载

产品规格书点击下载
订购咨询 关注芯启源
快速下单

产品指标

参数图.jpg/

产品规格

产品规格.jpg/

产品细节

  • SMP连接器

    介质穿墙

  • 接头类型

    SMP母头

  • 材质工艺

    外壳采用了黄铜材质,表面增加了镀金处理工艺,能提高抗氧化、耐磨性能

  • 产品特点

    体积小、低驻波、低插损、耐腐蚀、寿命长