直播屋体育直播-免费足球直播|NBA直播|体育赛事在线观赛_直播吧

芯启源科技

0755-23345158
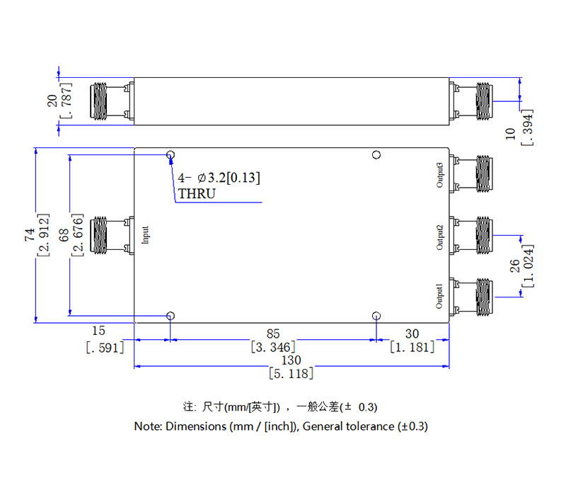
一分三功分器/合路器

XQY-PS3-0.5/6-NE

【产品名称】一分三功分器/合路器

【频率范围】500~6000MHz

【接头类型】N母头-不锈钢

【表面处理】喷砂本导

【外形尺寸】130*74*20mm

【定制服务】连接器类型、频率均可定制

详情内容请向下滑动查看↓↓↓



详情内容请向下滑动查看↓↓↓

产品手册下载

产品规格书点击下载
订购咨询 关注芯启源
快速下单

产品指标

62876ff07ffef.jpg/

产品规格

62876ff6a047e.jpg/

产品细节

  • 产品优势

    产品内部釆用优质高频板材以及精密的内腔设计,完全自主设计研发、生产,指标优异、低驻波、低插损、高隔离、耐腐蚀、高机械可靠性

  • 外壳工艺

    外壳釆用喷砂本导工艺,具有较高的机械可靠性、耐磨性、耐腐蚀性

  • 连接器

    自主研发设计、生产的高频不锈钢连接器,耐磨损、耐腐蚀、使用寿命长

  • 指标定义

    可定制频率范围、连接器类型